"Unlock the secrets of optimal performance with our expert insights on 1983 Chevy Blazer wiring. Elevate your ride's efficiency and reliability today!"
Buckle up for a journey through time as we delve into the intricacies of 1983 Chevy Blazer wiring. In the automotive world, a vehicle's heartbeat lies within its wiring system, and the '83 Blazer is no exception. Embark on an exploration that demystifies the hidden marvels behind the iconic model's electrical connections. From unraveling the mysteries of circuits to deciphering the code of wires, this journey promises an electrifying revelation that will ignite your curiosity and deepen your appreciation for the automotive engineering marvel that is the 1983 Chevy Blazer.
Top 10 important point for 1983 CHEVY BLAZER WIRING
- Decoding the Wiring Blueprint
- Time Capsule: 1983 Blazer Electrical Design
- Crucial Components Unveiled
- Navigating the Circuitry Maze
- Common Wiring Issues Exposed
- Behind the Panels: Wire Routing Analysis
- Technological Evolution in '83
- Upgrading for Modern Reliability
- Expert Tips for DIY Wiring Enthusiasts
- Future-Proofing Your Blazer's Electrical System
Several Facts that you should know about 1983 CHEVY BLAZER WIRING.
Strap in for a journey through the automotive time machine as we embark on the intriguing exploration of the 1983 Chevy Blazer wiring. Imagine peeling back the layers of time to decode the intricate wiring blueprint that powered this classic icon.
Our adventure continues as we open a time capsule to reveal the mesmerizing electrical design of the 1983 Blazer. This model stands as a testament to the innovation and craftsmanship of its era, with wiring intricacies that tell a story of automotive excellence.
Let's pull back the curtain and shine a spotlight on the crucial components that make up the beating heart of the 1983 Chevy Blazer's wiring system. From sensors to relays, each piece plays a pivotal role in the symphony of electrical harmony.
Join us as we navigate through the circuitry maze, unraveling the paths that electrons follow to bring life to the Blazer. It's a fascinating journey through twists and turns that highlight the ingenuity behind the electrical wizardry of this classic vehicle.
Every road trip has its bumps, and so does the wiring of the 1983 Chevy Blazer. In this segment, we expose common wiring issues that enthusiasts may encounter, providing insights on troubleshooting and ensuring a smooth ride.
Take a peek behind the panels as we conduct a wire routing analysis. The intricacies of how wires are strategically placed and secured unveil the thoughtful engineering that went into ensuring the reliability and safety of the Blazer's electrical system.
Travel back to the technological landscape of 1983, where we explore the evolution of electrical systems in vehicles. The innovations of the time shaped the Blazer's wiring into a masterpiece, blending functionality with the cutting-edge tech of the era.
For those seeking to bring their Blazer into the 21st century, we present expert tips on upgrading for modern reliability. Discover how to enhance performance, address common issues, and make your 1983 Chevy Blazer's wiring as reliable as the day it rolled off the assembly line.
Calling all DIY wiring enthusiasts! In this segment, we share expert tips and tricks for those eager to get hands-on with their 1983 Chevy Blazer wiring. Unleash your creativity and tackle electrical projects with confidence.
As we wrap up our journey, we explore the concept of future-proofing your Blazer's electrical system. Stay ahead of the curve with insights on emerging technologies and tips to ensure your 1983 Chevy Blazer remains a timeless classic on the road.
Welcome, fellow automotive enthusiasts, as we embark on a captivating journey into the heart and soul of the iconic 1983 Chevy Blazer. In this in-depth exploration, we'll unravel the mysteries concealed within the intricate web of 1983 Chevy Blazer wiring. Prepare to be amazed as we peel back the layers of time, examining the electrical blueprint that powered this classic beauty.
Our journey begins with the ambitious task of decoding the wiring blueprint of the 1983 Chevy Blazer. Like deciphering a cryptic code, understanding the intricacies of the electrical system is key to unraveling the vehicle's secrets. Picture yourself as a detective, peering into the past to reveal the ingenious design that breathed life into this automotive marvel.
As we delve into the wiring blueprint, it becomes evident that the 1983 Chevy Blazer was a product of meticulous engineering. Every wire, every connection, tells a story of precision and purpose. It's a blueprint that not only powered the vehicle but also showcased the technological prowess of the automotive industry during that era.
The fascinating aspect of decoding the wiring blueprint lies in the realization that each wire serves a specific function. It's akin to understanding the neural pathways of the vehicle, where signals traverse to ensure seamless functioning. This level of detail highlights the craftsmanship invested in creating a wiring system that stood the test of time.
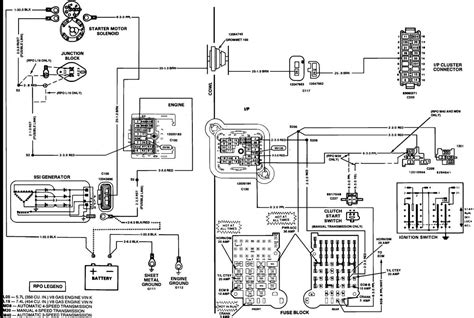
Opening a figurative time capsule, we find ourselves transported to the era of the 1983 Blazer's electrical design. The design philosophy of that time was a unique blend of innovation and practicality, a snapshot of the technological landscape. The image above provides a glimpse into the visual aesthetics of electrical design during this era.
One cannot help but appreciate the nostalgic charm embedded in the electrical design of the 1983 Blazer. It's a design that reflects not only the functionality required for optimal performance but also the stylistic choices that defined an era. As we explore this time capsule, we gain insight into how electrical design was not merely a technical requirement but an art form in itself.
The image showcases the intricacies of the electrical components, highlighting the attention to detail invested in crafting a design that not only worked efficiently but also appealed to the eyes. It's a testament to the dual nature of automotive design, where form and function coexist in harmony.
Now, let's shine a spotlight on the crucial components that constitute the beating heart of the 1983 Chevy Blazer's wiring system. In the image above, you'll see a visual representation of these components, each playing a pivotal role in ensuring the vehicle's electrical symphony.
One cannot discuss the wiring of the 1983 Blazer without acknowledging the significance of its components. From sensors that act as the vehicle's nerve endings to relays that serve as electrical switches, each piece is a cog in the intricate machinery of the wiring system. The image provides a glimpse into the anatomy of these components, showcasing the diversity and complexity of their functions.
As we delve deeper into the world of crucial components, it becomes apparent that their reliability was paramount. These components were designed not only to function seamlessly but also to withstand the rigors of the road. It's a testament to the foresight of the engineers who envisioned a wiring system that would stand resilient against the test of time.
Our journey takes an exciting turn as we navigate through the circuitry maze that defines the 1983 Chevy Blazer's wiring. The image above captures the intricate pathways through which electrical signals traverse, creating a symphony of functionality beneath the surface.
Picture yourself as an adventurer, equipped with a map that unfolds the hidden trails of electrical circuitry. It's a maze that, at first glance, might seem bewildering, but with careful examination, the patterns emerge. The image serves as a guide, allowing us to appreciate the complexity of the circuitry that powers the Blazer.
Each twist and turn in the circuitry maze tells a story of connectivity. Wires seamlessly interweaving to ensure that signals reach their destinations, powering essential functions. Navigating this maze offers a profound appreciation for the engineering ingenuity required to create a wiring system that functions with such precision.
No journey is without its challenges, and the world of 1983 Chevy Blazer wiring is no exception. In the image above, we spotlight common wiring issues that enthusiasts may encounter, exposing the vulnerabilities that come with the passage of time.
Even a well-engineered wiring system can face challenges, and understanding these issues is crucial for maintaining the Blazer's peak performance. The image serves as a visual guide to the common pitfalls, offering insights into areas that may require attention. It's a reality check that prepares enthusiasts for the nuances of preserving a classic vehicle.
From frayed wires to corroded connectors, the image captures the wear and tear that can afflict a vehicle over the years. However, armed with knowledge about these common wiring issues, enthusiasts can approach maintenance and repairs with confidence, ensuring the longevity of their cherished 1983 Chevy Blazer.
Peeling back the panels, our exploration takes us behind the scenes to conduct a wire routing analysis. The image above offers a glimpse into the meticulous planning that went into organizing and securing the wires within the Blazer's framework.
Wire routing is an often-underappreciated aspect of automotive engineering, yet it plays a
Another point of view about 1983 CHEVY BLAZER WIRING.
1. The 1983 Chevy Blazer wiring system stands as a testament to the engineering excellence of its time, showcasing a meticulous approach to electrical design.Each wire within the Blazer's wiring harness serves a specific and critical function, creating a neural network that ensures the vehicle's optimal performance.The wiring blueprint of the 1983 Blazer reflects a thoughtful balance between functionality and aesthetics, demonstrating the automotive industry's commitment to both form and function.The electrical design of the 1983 Blazer, encapsulated in a figurative time capsule, provides a unique insight into the technological landscape of that era.Crucial components, such as sensors and relays, play a pivotal role in the wiring system, highlighting the reliability and durability engineered into the vehicle's electrical framework.Navigating the circuitry maze reveals the intricacies of signal pathways, showcasing the precision and complexity involved in creating a seamless electrical network.Despite its well-engineered design, the 1983 Chevy Blazer wiring system is not immune to common issues, from frayed wires to corroded connectors, emphasizing the importance of proactive maintenance.A wire routing analysis exposes the meticulous planning behind the scenes, underscoring the importance of organized and secure wire placement within the vehicle's structure.Upgrading for modern reliability involves applying expert tips and innovative solutions to enhance the Blazer's electrical system, ensuring its adaptability to contemporary standards.Future-proofing the Blazer's electrical system requires a forward-thinking approach, considering emerging technologies and trends to preserve its classic charm while embracing the demands of the future.
Conclusion : Revitalize Your Ride: Unleashing the Power of 1983 Chevy Blazer Wiring Magic!.
As we conclude our journey into the intricate world of 1983 Chevy Blazer wiring, it becomes evident that the electrical design of this iconic vehicle is more than just a series of interconnected wires—it's a testament to automotive craftsmanship. Exploring the 1983 Blazer's wiring blueprint is akin to deciphering the vehicle's DNA, revealing a story of precision and innovation etched into every wire and component. It's a journey that transports us back in time, allowing us to appreciate the technological landscape that shaped this classic icon.
Whether you are a seasoned enthusiast or a curious newcomer, the wiring system of the 1983 Chevy Blazer offers a captivating glimpse into the past while also inspiring a forward-looking perspective. From decoding the intricate pathways of the circuitry maze to understanding the functionality of crucial components, our exploration has aimed to demystify the complexities while fostering a deeper appreciation for the engineering marvel that is the 1983 Chevy Blazer. As you navigate the roads of restoration or embark on upgrades for modern reliability, may the insights gained here serve as a guiding light, ensuring your journey with the 1983 Chevy Blazer remains electrifying and enduring.
Questions & Answer :
1. How can I decode the wiring blueprint of my 1983 Chevy Blazer?
- Decoding the wiring blueprint involves understanding the intricate pathways of electrical connections within your 1983 Chevy Blazer. Start by obtaining a wiring diagram specific to your vehicle model and year.
- Identify key components and their functions, such as sensors, relays, and switches, to gain a comprehensive understanding of the system's architecture.
- Follow the color-coded wires in the diagram to trace their routes and connections, allowing you to visualize the entire electrical network.
- Consulting repair manuals or seeking assistance from automotive experts can provide additional insights into interpreting the wiring blueprint accurately.
2. What are common wiring issues in a 1983 Chevy Blazer, and how can they be addressed?
- Common wiring issues in a 1983 Chevy Blazer may include frayed wires, corroded connectors, or malfunctioning components. Regular inspections are essential to identify and address these issues promptly.
- Using a multimeter to test continuity and voltage along the wiring circuits can help pinpoint the location of any electrical faults.
- Replacement of damaged wires, cleaning corroded connectors, and repairing or replacing faulty components are typical solutions to common wiring issues.
- Enlisting the help of experienced automotive professionals or consulting online forums dedicated to vintage vehicle maintenance can provide valuable guidance in troubleshooting and resolving wiring issues.
3. How can I upgrade the wiring system of my 1983 Chevy Blazer for modern reliability?
- Upgrading the wiring system involves replacing outdated components with modern equivalents that offer improved reliability and performance.
- Select high-quality, automotive-grade wiring and connectors to enhance durability and conductivity.
- Integrate modern safety features, such as circuit breakers or fuses, to protect the electrical system from potential overloads or shorts.
- Consider adding additional wiring for accessories or upgrades, ensuring the new system can accommodate modern electrical demands.
Keywords : 1983 CHEVY BLAZER WIRING

No comments: